°æÈ¨ËùÓÐ: SHEN ZHEN KOYU ELECTRONICS CO.,LTDÉîÛÚÊа۸»²ÊIOS/°²×¿ÓÐÏÞ¹«Ë¾ Copyright © 2022 All Rights reserved. ÔÁICP±¸19162453ºÅ
ÇëÑ¡Ôñ²úÏß
˳Âç¸ßÐÔÄܹ¦Âʵç¸ÐÔÚ AI оƬµÄÓ¦ÓýâÎö
·¢²¼Ê±¼ä£º2026-03-20 18:04:38
ÔÚÏß¹ºÂò

·¢²¼Ê±¼ä£º2026-03-20 18:04:38

ÔÚ AI À˳±Íƶ¯Ï£¬GPU¡¢FPGA¡¢ASIC ΪÊÊÅä´óÄ£ÐÍѵÁ·ÓëÍÆÀíµÄ²îÒ컯ÐèÇó£¬×ßÉÏÁ˸÷¾ßÌØÉ«µÄ¼¼ÊõÑݽøÖ®Â·¡£GPU ³¯×ŸüÇ¿ËãÁ¦¡¢¸üÓÅÉú̬µÄͨÓüÓËÙ·½Ïòµü´ú£»FPGA ¾Û½¹¿É±à³ÌÐÔÓëÄÜЧƽºâ£¬Éî¸ûÌØ¶¨³¡¾°£»ASIC ÔòÒÔ¶¨ÖÆ»¯¼«ÖÂÓÅ»¯ÎªºËÐÄ£¬»¹¿ªÆôÁË AI ¸¨ÖúÉè¼ÆµÄÐÂģʽ¡£
ÀýÈ紫ͳ GPU£¨ÓÈÆäÊÇÓÃÓÚ AI ѵÁ·ºÍÓÎÏ·µÄ¶ÀÁ¢ÏÔ¿¨£©µÄ VRM ¹©µçÏµÍ³ÃæÁÙ×ÅÒÔϵÄѹÁ¦£º£¨1£©³¬¸ßµçÁ÷Ó붯̬¸ºÔØ£º¸ß¶Ë GPU Vcore µÄµçÁ÷ÐèÇó¿É´ïÊý°Ù°²Å࣬ÇÒ¸ºÔصçÁ÷»áÔÚÄÉÃë¼¶ÄÚ¾çÁÒ²¨¶¯£¨Èç´Ó¿ÕÏÐ״̬˲¼äÔ¾ÉýÖÁÂúÔØ×´Ì¬£©¡££¨2£©¼«µÍµÄµçѹÓëÑϸñµÄÈݲÏȽøÖƳ̹¤ÒÕÒªÇóºËÐĵçѹµÍÖÁ 1V ÒÔÏ£¬µ«¶ÔµçѹµÄÎÆ²¨ºÍÔëÉùÈݲÆä¿Á¿Ì£¬Î¢Ð¡²¨¶¯¶¼¿ÉÄܵ¼ÖÂÔËËã´íÎó»òϵͳ±ÀÀ£¡££¨3£©¼«¸ßµÄ¹¦ÂÊÃܶÈÓë¿Õ¼äÏÞÖÆ£ºGPU °å¿¨¿Õ¼ä´çÍÁ´ç½ð£¬¹©µçµç·±ØÐ뱻ѹËõÔÚ¼«ÆäÓÐÏÞµÄÇøÓòÄÚ¡££¨4£©Ð§ÂÊÓë·¢ÈÈµÄÆ½ºâ£ºÈκι©µç»·½ÚµÄЧÂÊËðʧ¶¼»áת»¯ÎªÈÈÁ¿£¬ÔÚÃܱջúÏäÄÚ¼Ó¾ç GPU É¢Èȸºµ££¬Ó°ÏìÐÔÄܳÖÐøÊä³ö¡£
¡ô ¹©µç¼Ü¹¹µÄת±ä£ºÓÉ 48V/12V1.2/0.8V Á½¼¶×ª»»µ½ 48V1V Ò»¼¶×ª»»
´«Í³µÄÊý¾ÝÖÐÐĵçÔ´¼Ü¹¹Í¨³£²ÉÓà 12V ×ÜÏßµçѹ£¬Ëæ×Å·þÎñÆ÷¹¦ºÄÖð½¥Ôö´ó£¬12V ×ÜÏßÏµÍ³ÃæÁÙןßËðºÄ¡¢¸ß³É±¾µÈÆ¿¾±£¬Î´À´½«Öð½¥×ª±äΪ 48V ×ÜÏßµçѹϵͳ£¬Äܹ»Ö§³Ö¸ü¸ßµÄ¹¦Âʵȼ¶¡¢½µµÍĸÏßÉϵÄÍËðºÍѹ½µ¡¢ÌáÉýЧÂÊ¡£µ«ÊÇ 48V ×ÜÏßÔÚÖ÷°åÉÏÒ²ÐèÒªÏÈת±äΪ 12V µçѹ£¬ÔÙÓÉ 12V תµ½ 1.2V µÄÁ½¼¶×ª»»£¬ÎªÁ˼õÉÙÁËÖмäת»»»·½Ú£¬ÌáÉýÕûÌåЧÂÊ£¬Î´À´½«»áÂõÏò 48V Ö±½Óת 1V µÄµçѹģʽ£¬Í¬Ê±¶Ôµç·ÉϵÄÔªÆ÷¼þÐÔÄÜÒªÇóÒ²»á¸ü¸ß¡£
¡ô ¹©µçģʽµÄת±ä£ººáÏò¹©µçתÏò´¹Ö±¹©µç
ÔÚ´«Í³·þÎñÆ÷ÖУ¬PoL ת»»Æ÷±»·ÅÔÚ´¦ÀíÆ÷¸´ºÏÌåµÄºáÏò£¨ÅԱߣ©Î»Öá£ÓÉÓÚ͵ĵç×èÂÊºÍ PCB ÉϵÄ×ßÏß³¤¶È£¬ºáÏò·ÅÖÃµÄ PoL ¹©µçÍøÂ磨PDN£©µÄ×Ü×迹Ï൱¸ß£¬¿ÉÄÜ´ïµ½150μΩ »ò¸ü¸ß£¬ÕâÒâζ×Å PCB ×ßÏ߾ͻáÏûºÄµô 150W µÄ¹¦ÂÊ¡£
Ëæ×ÅÉú³ÉʽÈ˹¤ÖÇÄÜѵÁ·´¦ÀíÆ÷µÄÁ¬ÐøµçÁ÷ÐèÇóÔö¼Óµ½ 1000A£¬ÕâÒâζ×Å PCB ±¾Éí¾Í»áÏûºÄµô 200W µÄ¹¦ÂÊ¡£´¹Ö±¹©µç VPD ½á¹¹µÄ³öÏÖ£¬½« PoL ת»»Æ÷Ö±½Ó·ÅÖÃÔÚ xPU µÄÏ·½¡£ÔÚ´¹Ö±¹©µçÍøÂçÖУ¬Æä×Ü×迹¿ÉÄܽµÖÁ 15μΩ »ò¸üµÍ£¬ÕâÒâζ×ÅÔÚÄں˵çѹÓò 1000A ÅàµÄÁ¬ÐøµçÁ÷Ï£¬Ö»»áÏûºÄ 15W µÄ¹¦ÂÊ¡£Îª½øÒ»²½¼õС PDN µÄ¹¦ÂÊÏûºÄ£¬Î´À´»á½øÒ»²½½«¹©µçÄ£¿é¼¯³Éµ½ xPU ÄÚ²¿¡£

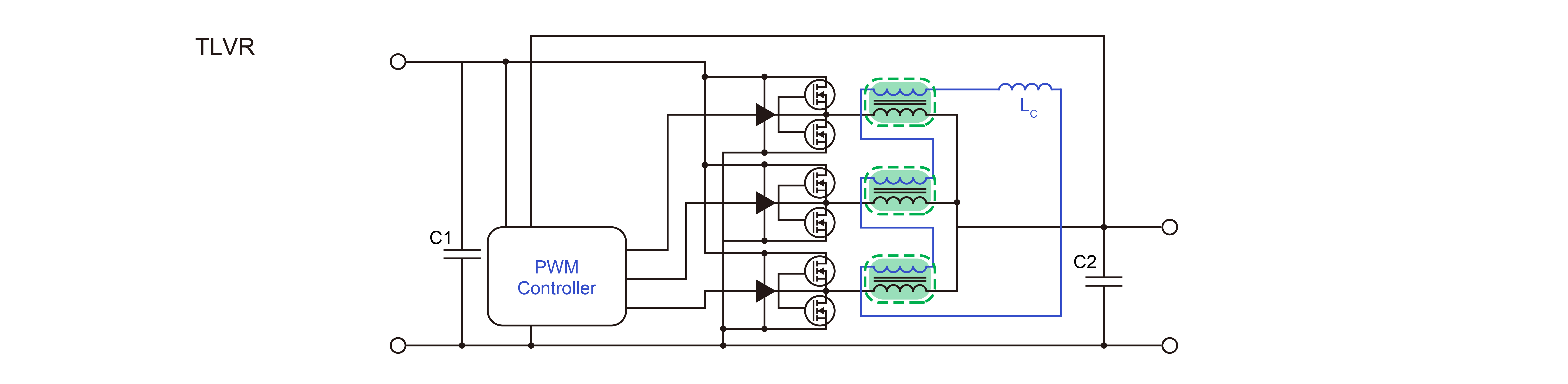
¡ô VRM ¹©µçÏò TLVR ¹©µçת±ä
¡ó TLVR ¹©µçÌáÉý˲̬ÏìÓ¦ËÙ¶È¡£
´«Í³¶àÏà VR ÔÚ¸ºÔشӵͱä¸ß˲ʱ£¬¸÷ÏàλÐèÒÀ´ÎÍê³ÉÊä³öµçѹ½µµÍ¡¢±È½ÏÆ÷·´À¡¡¢PWM Õ¼¿Õ±ÈÌá¸ß¡¢Êä³öµçÁ÷ÌáÉýµÄÁ÷³Ì£¬Ïàλ¼äÏìÓ¦´æÔÚÑÓ³Ù£¬ÎÞ·¨¿ìËÙÓ¦¶Ô˲ʱ´óµçÁ÷ÐèÇó¡£¶ø TLVR µÄ¸÷Ïàµç¸Ðͨ¹ý´Î¼¶ÈÆ×éÏ໥Á¬½ÓÐγÉñîºÏÍøÂ磬µ±Ä³Ò»ÏàÒò¸ºÔر仯µ÷ÕûÕ¼¿Õ±Èʱ£¬ñîºÏЧӦ»áͬ²½´ø¶¯ËùÓÐÏàλµÄµçÁ÷±ä»¯¡£ÕâÖÖͬ²½ÏìÓ¦»úÖÆÄܽ«ÏìӦʱ¼äËõ¶ÌÖÁÄÉÃë¼¶£¬ÏìÓ¦Ëٶȱȴ«Í³ VR ·½°¸¿ì 3~5 ±¶£¬¿ÉÎȶ¨´¦ÀíÈç 1000A/μs µÄ˲ʱ´óµçÁ÷ÐèÇ󣬴ó·ù¼õÉÙ¸ºÔØÍ»±äʱµÄµçѹ²¨¶¯£¬±£ÕÏ GPU µÈºËÐÄоƬÔÚ¸ßËãÁ¦ÔËÐÐʱµÄ¹©µçÎȶ¨ÐÔ¡£


¡ó TLVR ¹©µç¿É¼õÉٵ緵ĵçÈÝÊýÁ¿¡£
´«Í³ VR Ó¦¶Ô¸ºÔØË²Ì¬²¨¶¯Ê±£¬¸÷ÏàλÐèÖð´Îµ÷ÕûÕ¼¿Õ±È£¬ÎªÁËÒÖÖÆµçÑ¹ÎÆ²¨¡¢Î¬³ÖÊä³öÎȶ¨£¬±ØÐë´îÅä´óÁ¿´óÈÝÁ¿µçÈÝ¡£¶ø TLVR ͨ¹ý´Î¼¶ÈÆ×齫¸÷Ïàµç¸ÐñîºÏÐγɻ¥ÁªÍøÂ磬¸ºÔز¨¶¯Ê±µçѹ²¨¶¯·ù¶È´ó·ù½µµÍ£¬¶ÔµçÈݵÄÎÈѹ¡¢Â˲¨ÐèÇóÏÔÖøÏ½µ¡£¾ÝÐÐÒµÊý¾Ý£¬TLVR ·½°¸¿É½ÚÊ¡ 30%-50% µÄµçÈݳɱ¾£¬Í¬Ê±¼õÉÙµçÈÝÕ¼Óõĵç·°åÃæ»ý£¬ÊÊÅä AI ·þÎñÆ÷µÈ¸ßÃܶȲ¼¾Ö³¡¾°¡£´ËÍ⣬µçÈÝÊýÁ¿¼õÉÙ»¹½øÒ»²½½µµÍÁËϵͳµÄ BOM ³É±¾£¬¼ò»¯Á˵ç·²¼¾ÖÄѶȡ£
¡ô ·ÖÁ¢Ê½Æ÷¼þÏòµçÔ´Ä£¿éת±ä
12V → 0.5V~2V ÒÔ¶àÏà¿ØÖÆÆ÷ +DrMos+ µç¸Ð + µçÈÝΪÖ÷£¬ÕýÔÚÏòµçÔ´Ä£¿éµÄ·½Ïò·¢Õ¹£¬¿ÉÒÔ½øÒ»²½¼õÉÙÕ¼°åÃæ»ý£¬ÌáÉý¹¦ÂÊÃܶȣ¬½µµÍËðºÄ£¬´Ó¶øÌá¸ßЧÂÊ¡£ÓÉ´ËÒµÄÚÓÐÁ˸ü¶àµç¸ÐÐÎ̬µÄÐèÇó£ºÒÔ¹©µçÍØÆË·ÖÓÐ VR µç¸Ð¡¢TLVR µç¸Ð£»ÒÔÏàÊý·ÖÓе¥Ïàµç¸Ð¡¢¶àÏàµç¸Ð¡¢¶àÏàñîºÏµç¸Ð£»ÒÔµç¸ÐÐÎ̬·ÖÓÐ I/O Ïߣ«µç¸Ð¡¢Ç¶Èëʽµç¸Ð¡¢Ðü¿Õµç¸ÐµÈ¡£
¶àÏàµçÔ´ÓɶàÏà¿ØÖÆÆ÷ºÍ DrMOS+ µç¸Ð + µçÈݹ¹³É£¨ÈçÏÂͼ£©£¬ÆäÖжàÏà¿ØÖÆÆ÷¸ºÔðÌṩ PWM ¿ØÖÆÐźţ¬DrMOS+ µç¸Ð + µçÈݸºÔðÍê³ÉµçÁ÷Éý½µÑ¹×ª»»£¬×îÖÕÌṩÖ÷оƬËùÐèµÄÌØ¶¨¹æ¸ñ¹¤×÷µçѹ¡£

¶àÏà¿ØÖÆÆ÷£º¸ºÔðе÷ºÍ¿ØÖƶà¸ö DrMOS Ä£¿éµÄ²Ù×÷¡£¶àÏà¿ØÖÆÆ÷ͨ³£°üº¬Ò»¸ö»ò¶à¸öÏàλ£¬Ã¿¸öÏàλ¶¼°üº¬Ò»¸öDrMOSÄ£¿é¡£¸ù¾ÝÊäÈëÐźźͷ´À¡ÐźÅÀ´µ÷Õûÿ¸öÏàλµÄ²Ù×÷£¬ÒÔʵÏÖËùÐèµÄÊä³öµçѹºÍµçÁ÷¡£
DrMOS: ͨ³£Óɹ¦ÂÊ¿ª¹Ø¡¢Çý¶¯Æ÷ºÍµçÁ÷´«¸ÐÆ÷×é³É¡£¹¦ÂÊ¿ª¹Ø¸ºÔð¿ØÖƵçԴת»»Æ÷µÄ¿ª¹Ø×´Ì¬£¬Çý¶¯Æ÷¸ºÔðÌṩÊʵ±µÄµçѹºÍµçÁ÷À´¿ØÖƹ¦ÂÊ¿ª¹ØµÄ²Ù×÷¡£µçÁ÷´«¸ÐÆ÷ÓÃÓÚ¼à²âµçÁ÷ÐÅÏ¢£¬ÒÔÌṩ׼ȷµÄ·´À¡Ðźš£
Ëæ×Å AI оƬ¹©µçģʽµÄת±äÒÔ¼°µç¸ÐÐÎ̬µÄ±ä»¯£¬Ë³Âçµç×ӷֱ𿪷¢ÁËÊÊºÏ LPD¡¢VPD¡¢IVR ¹©µçģʽµÄ¼¼Êõƽ̨²úÆ·£¬ÒÔÏÂչʾ˳ÂçÔÚ xPU ¹©µçµÄ¼¼Êõƽ̨£º

¡ô ÍÌú¹²ÉÕµç¸Ð HTF ϵÁÐ
Ïà½ÏÓÚ´«Í³Ò»Ìå³ÉÐ͵ç¸Ð£¬Ë³Âç HTF ϵÁÐÍÌú¹²ÉÕµç¸Ðƾ½èºËÐļ¼ÊõÍ»ÆÆ£¬Õ¹ÏÖ¶àÖØÏÔÖøÓÅÊÆ£º²ÉÓÃ×ÔÖ÷Ñз¢µÄ¸ßÎÂÉÕ½áºÏ½ð·Û£¬¾ß±¸¸ß´Åµ¼ÂÊ¡¢µÍËðºÄÌØÐÔ£¬Í¬Ê±ÊµÏֵ͸ÐÁ¿Óë¸ß±¥ºÍµçÁ÷µÄÓÅÖÊÆ½ºâ¡£ÔÚ±£Ö¤Í¬µÈµçÆøÐÔÄܵÄǰÌáÏ£¬HTF ϵÁпÉÖ§³Ö³¬±¡»¯Ó¦Óó¡¾°£¬²úÆ·ºñ¶È×îµÍ¿ÉÖÁ 1mm¡£ÄÜЧ±íÏÖÓÈΪͻ³ö£¬ÔÚÏàͬ²âÊÔÌõ¼þÏ£¬ÆäËðºÄ½öΪ´«Í³Ä£Ñ¹µç¸ÐµÄ 1/5£¬ÖúÁ¦É豸ʵÏÖ¸ü¸ßת»»Ð§ÂÊ¡£´ËÍ⣬¸ßÎÂÉսṤÒÕ¸³Óè´ÅÌå׿ԽÎȶ¨ÐÔ£¬²úÆ·ÔÚ165¡æ¸ßΡ¢³¤´ï 2400 СʱµÄ¸ºÔØ»·¾³Ï£¬ÈÔÄܱ£³Ö¸ß¿É¿¿ÐÔ£¬ÊÊÅäÑÏ¿Á¹¤×÷³¡¾°¡£
¡ô Ä£ËÜÒ»Ìå³ÉÐ͵ç¸Ð WCX ϵÁÐ
˳Âç WCX ϵÁÐÄ£ËÜÒ»Ìå³ÉÐ͵ç¸ÐÏà½ÏÓÚ´«Í³Í¬Àà²úÆ·£¬ÔÚ¹¤ÒÕÓëÐÔÄÜÉÏʵÏֹؼüÍ»ÆÆ£º³ÉÐÍѹÁ¦´ó·ù½µµÍ£¬½öΪ´«Í³¸Éѹ³ÉÐÍѹÁ¦£¨400MPa-1000MPa£©µÄ 5£¥×óÓÒ£¬´ÓÔ´Í·¼õÉÙģѹ¹ý³ÌÖÐÏßȦ¾øÔµ²ãË𻵡¢º¸µãѹ¶ÏµÄ·çÏÕ£¬³¹µ×½â¾öÁ˳¤ÆÚÀ§ÈÅÐÐÒµµÄ “¿ª¶Ì·” ºËÐÄÍ´µã¡£ÒÀÍÐ×ÔÖ÷Ñз¢µÄÄÉÃ×°ü¸²¼¼Êõ£¬²úÆ·µçѹӦÓÃÉÏÏÞÌáÉýÖÁ 100V£¬ÊÊÅä¸ü¶à¸ßѹ³¡¾°ÐèÇó¡£´îÅä˳Âç×ÔÑеÍËðºÄ½ðÊô´Å·Û£¬Æ¾½èÆä¸ß´Åµ¼ÂÊÌØÐÔ£¬WCX ϵÁÐÔÚ±£Ö¤Í¬µÈµçÆøÐÔÄܵĻù´¡ÉÏ£¬Ìå»ýËõ¼õ 50% ÒÔÉÏ£¬ÊµÏÖСÐÍ»¯Éý¼¶¡£ÄÜЧÌáÉýͬÑùÏÔÖø£¬ÔÚ·â×°³ß´çÏàͬÇé¿öÏ£¬Ó봫ͳһÌå³ÉÐ͵ç¸ÐÏà±È£¬ÇáÔØ¹¤¿öÏ WCX ϵÁвúƷЧÂÊÌáÉý 2~5%£¬ÄܺıíÏÖ¸üÓÅ¡£
¡ô ×é×°¹¦Âʵç¸Ðƽ̨ WPZ ϵÁÐ
˳Âç×é×°¹¦Âʵç¸Ð²ÉÓüò½à¹¤ÒÕÓëÁé»îÉè¼Æ£¬ÓÐЧËõ¶ÌËÍÑùÓëÅúÁ¿½»¸¶ÖÜÆÚ£¬Äܹ»¿ìËÙÏìÓ¦¿Í»§ÐèÇ󡣸ÃϵÁвúÆ·¾ØÕó·á¸»¶àÔª£¬º¸ÇÎÔʽÓëÁ¢Ê½ VR ¹©µç²úÆ·£¬Í¬Ê±¿É´îÔØÂú×ãHi-pot ²âÊ﵀ TLVR µç¸Ð£¬ÇáËÉÂú×ã¸ßÄÍѹӦÓÃÒªÇó¡£Òò´Ë£¬¸Ãµç¸Ð¿ÉÈ«ÃæÊÊÅä AI оƬµÄLPD Óë VPD ¶àÖÖ¹©µçģʽ£¬Îª¿Í»§ÏµÍ³Éè¼ÆÌṩ¸ß¶ÈÁé»îµÄÑ¡ÐÍ·½°¸¡£
Éî ÛÚ ÊÐ ¹â Óë µç ×Ó ÓÐ ÏÞ ¹« ˾
SHEN ZHEN KOYU ELECTRONICS CO.LTD
Ӫҵʱ¼ä£ºË«ÐÝ£¬ÖÜÒ»µ½ÖÜÎå ÉÏÎç8:30-12:00 ÏÂÎç13:30-18:00ϰàʱ¼äÇëÇ¢¸÷ÒµÎñÔ±£¡
µØÖ·£ºÉîÛÚÊÐÁú»ªÇøÃñÖνֵÀÉÏ·ÒÉçÇø½¨Éè·´óΪÉÌÎñʱ¿ÕB×ù503¡¢505
ÖÕ¶ËÒµÎñÖ±Ïߣº+86-755-82574660
ͬÐÐÒµÎñÖ±Ïߣº+86-755-82574660 ͬÐÐóÒ×ÁªÏµ¿Í·þ£º19147767652 ΢ÐÅͬ²½
ÏúÊÛ×ܼàÓÊÏ䣺JOSHUA@SZKOYU.COM
PM¼æ²É¹º×ܼàÓÊÏ䣺LILY@SZKOYU.COM
PM¼æ²É¹º¾ÀíÓÊÏ䣺PUR01@SZKOYU.COM
°Û¸»²ÊÊǵç×ÓÔªÆ÷¼þ·½°¸Éè¼Æ´úÀíÉÌ£¡
Õý¹æ´úÀí£¬×ñÊØÔ³§¿Í»§±¨±¸ÔÔò£¬Ïã¸Û´ó½²Ö¾ù¿ÉÒÔ½»¸¶£¬²Ù×÷Áé»î£¬¼Û¸ñÓÅÊÆ£¬¹«Ë¾ºÍÒ»Ïß´óÎïÁ÷ºÏ×÷£¬½»¸¶¿ì½ÝÎȶ¨£¬ÊÛºó±£ÕÏ£¡
Ò»±²×ÓŬÁ¦×öºÃÒ»¼þÊÂÄú¾ÍÓ®ÁË£¡
