°æÈ¨ËùÓÐ: SHEN ZHEN KOYU ELECTRONICS CO.,LTDÉîÛÚÊа۸»²ÊIOS/°²×¿ÓÐÏÞ¹«Ë¾ Copyright © 2022 All Rights reserved. ÔÁICP±¸19162453ºÅ
ÇëÑ¡Ôñ²úÏß
SUNLORDINC˳Âçµç×Ó WCX ¹¦Âʵç¸ÐÖúÁ¦ AI PC ¸üÖÇÄÜ
·¢²¼Ê±¼ä£º2026-03-20 16:00:44
ÉÏһƪ£ºÃ»ÓÐÁË
ÔÚÏß¹ºÂò

·¢²¼Ê±¼ä£º2026-03-20 16:00:44
Ëæ×ÅÈ˹¤ÖÇÄܼ¼ÊõµÄÅÐËÆðÓë·ÉËÙ·¢Õ¹£¬AI PC Êг¡³ÊÏÖ³öÇ¿¾¢µÄÔö³¤Ì¬ÊÆ£¬ÕýÅÐËÆð¡£Ë³Âçµç×Ó£¬×÷ΪȫÇò´ÅÐÔÔªÆ÷¼þÖÆÔìÁìÓòµÄÁì¾üÕߣ¬Æä¹¦Âʵç¸Ð²úÆ·ÔÚ AI PC ÁìÓò´ó·ÅÒì²Ê£¬°çÑÝ׏ؼüÇÒ²»¿ÉÌæ´úµÄ½ÇÉ«£¬ÎªÐÐÒµ·¢Õ¹ÌṩÁËÇ¿ÓÐÁ¦µÄÖ§³ÖÓëÍÆ¶¯¡£
AI PC ½«ÓÐÁ¦ÖØËÜ PC ²úÒµ£¬ÆäÓë AI Ä£ÐÍÉî¶È½áºÏ£¬´øÀ´ÁËÓ²¼þÉè¼Æ¡¢½»»¥·½Ê½ÒÔ¼°Ó¦ ÓÃÉú̬µÄÈ«·½Î»¸ïС£ÔÚÓ²¼þ²ãÃæ£¬AI PC ͨ¹ý¼¯³É AI ¼ÆËãµ¥Ôª£¬Ìṩ»ìºÏ AI ËãÁ¦£¬Õâ²»½ö³ä·ÖÂú×ãÁËÉú²úÁ¦µÄÌáÉýÐèÇ󣬻¹È«·½Î»±£ÕÏÁ˸öÈËÒþ˽ºÍÊý¾Ý°²È«¡£ÔÚÓû§ÌåÑé²ãÃæ£¬ AI PC ÈçͬһλÌùÐĵĸöÈË AI ÖúÀí£¬Ëü²»½öÄÜÏÔÖøÌá¸ßÉú²úЧÂÊ¡¢¼ò»¯¹¤×÷Á÷³Ì£¬»¹ÄÜÉî¶ÈѧϰÓû§µÄʹÓÃϰ¹ß£¬´Ó¶øÎªÓû§Ìṩ¸ü´óµÄ±ãÀû¡£
Ŀǰ£¬ÖÚ¶à PC ³§ÉÌÕýÓëоƬºÍÈí¼þ³§É̽ôÃÜЯÊÖ£¬¹²Í¬Íƶ¯ AI PC µÄÑз¢Éè¼ÆÒÔ¼°²úÆ·Â䵨£¬ÖÂÁ¦ÓÚ¿ªÆô PC ÖÇÄÜ»¯µÄÐÂÆªÕ¡£
¸ù¾Ý PC ÖÜÆÚ¸´ËÕ +AI PC ´ßÉúÊг¡ÐÂÐèÇó£¬Î´À´ 2-3 ÄêÓÐÍûÓÀ´ÐÂÒ»ÂÖ PC »»»úÖÜÆÚ¡£ Ô¤¼Æ 2024~2030 ÄêÈ«Çò PC ÕûÌå³ö»õ CAGR Ϊ 2.5%-3%£¬¿¼Âǵ½Éú³Éʽ AI µÄѸÃÍ·¢Õ¹¡¢ÒÔ¼° Windows ²Ù×÷ϵͳµÄ¸üеȣ¬AI PC ÎåÄêÉøÍ¸ÂÊ»ò´ïµ½ 40%¡£

ͼ 1£ºË³Âç±Ê¼Ç±¾¼Ü¹¹Í¼
ÔÚ AI PC µÄ¹©µçÄ£¿éÖУ¬¹¦Âʵç¸Ð·¢»Ó×Ų»¿ÉÌæ´úµÄ¹Ø¼ü×÷Óᣵç¸ÐÊǹ©µçÄ£¿éµÄºËÐÄ×é¼þ£¬Ö÷Òª¸ºÔðÏò GPU¡¢CPU¡¢NPU µÈ¸ßÐÔÄÜоƬÌṩǰ¶Ë¹©µç¡£ËüÔÚµç·ÖÐͨ¹ýµç´Å¸ÐÓ¦ÔÀí´¢´æºÍÊÍ·ÅÄÜÁ¿£¬Æðµ½´¢ÄÜ¡¢Â˲¨µÈ×÷Ó㬴ӶøÈ·±£Ð¾Æ¬»ñµÃÎȶ¨µÄµçÔ´£¬±£ÕÏÆäÕý³£¹¤×÷¡£µç¸ÐÔÚ AI PC ¹©µçϵͳÖоÍÏñÒ»¸ö¾«×¼µÄÄÜÔ´µ÷¿ØÖÐÐÄ£¬ÎªÕû¸öϵͳµÄÎȶ¨ÔËÐÐÌṩ¼áʵµÄµçÁ¦Ö§³Ö¡£
Ëæ×Å AI ´¦ÀíÆ÷ÐÔÄܵķÉËÙÌáÉý£¬Æä¹¦ºÄÒ²ËæÖ®¼±¾çÅÊÉý¡£Ôڴ˸߹¦ºÄ±³¾°Ï£¬¹¦Âʵç¸ÐÃæÁÙ×űØÐë¸ßЧ´«ÊäµçÄÜ¡¢½µµÍÄÜÁ¿ËðºÄÒÔ¼°Ö§³Ö´óµçÁ÷µÈÑϾþ¿¼Ñ顣˳Âçµç×ÓË³ÊÆÍÆ³öµÄÐÂÒ»´ú WCX ϵÁ㬵Íѹ³ÉÐÍÒ»Ìå³ÉÐ͹¦Âʵç¸Ð£¬²ÉÓÃ×ÔÖ÷ÑÐÖÆµÄ¸ßÐÔÄܲÄÁÏ£¬²¢Èں϶À´´µÄ³¬µÍѹ³ÉÐ͹¤ÒÕ£¬Ïà½ÏÓÚ´«Í³²úÆ·£¬ÊµÏÖÁËСÐÍ»¯¡¢ÇáÁ¿»¯ºÍµÍ¹¦ºÄµÄÏÔÖøÓÅÊÆ¡£Ä¿Ç°£¬¸ÃϵÁвúÆ·ÒÑÔÚPC¡¢·þÎñÆ÷¡¢Æû³µµç×ӵȸ´ÔÓµç×Óµç·ÖлñµÃ¹ã·ºÓ¦Óã¬ÎªÏà¹ØÉ豸µÄÎȶ¨ÔËÐкÍÐÔÄÜÌáÉýÌṩÁËÓÐÁ¦Ö§³Ö¡£
˳Âçµç× WCX ϵÁй¦Âʵç¸ÐÔÚ AI PC Êг¡ÖÐÊǹؼüÔª¼þ£¬ÖúÁ¦ AI PC ʵÏÖ¸üÖÇÄܵÄÐÔÄÜ¡£
¡ô WCX ϵÁй¦Âʵç¸Ð²ÉÓó¬µÍѹ³ÉÐÍÒ»Ìå³ÉÐͼ¼Êõ£¬ÊµÏÖСÐÍ»¯ÓëÇáÁ¿»¯£¬Âú×ãµç×ÓÉ豸¶Ô¿Õ¼äµÄÑÏ¿ÁÒªÇó¡£
¡ô ÓëÆÕͨһÌå³ÉÐ͹¦Âʵç¸ÐÏà±È£¬WCX ϵÁоßÓиüµÍ¹¦ºÄ£¬ÄÜЧ¸ü¸ß£¬ÓÈÆäÊÇÇáÔØÌõ¼þÏÂÓÅÊÆÍ¹ÏÔ£¬ÓÐÖúÓÚÑÓ³¤ AI PC Ðøº½¡£
¡ô С³ß´ç£¬ÓµÓиüµÍµÄ DCR ºÍ¸ü¸ßµÄ±¥ºÍÌØÐÔ£¬»¹¾ß±¸ 1.00mm ³¬±¡Éè¼Æ£¬ÓÐÖúÓÚ½ÚÊ¡¿Õ¼ä£¬ ÌáÉý²úÆ·¼¯³É¶ÈÓë¿É¿¿ÐÔ¡£
¡ô ²ÉÓøßÐÔÄܲÄÁ϶þ´Î°ü¸²£¬¼ÈÄܱ£³Ö׿ԽÐÔÄÜ£¬ÓÖ¿ÉÂú×ã¸ßÄÍѹÐèÇó¡£
ºËµç
AI PCµÄÔËÐÐÐèÒª½Ï´óµÄ¹¦ÂÊÖ§³Ö£¬ÌرðÊÇÔں˹©µç·½Ã棬×ܵçÁ÷ÐèÇóÍùÍù³¬¹ý 40A¡£X86 ¼Ü¹¹¶Ô¹¦Âʵç¸ÐµÄÐÔÄÜÒªÇó½Ï¸ß£¬ÐèÒª¸ßµçÁ÷¡¢µÍ DCR¡¢¸ß±¥ºÍµçÁ÷ºÍÁ¼ºÃµÄÉ¢ÈÈÉè¼Æ£¬Í¨³£Ñ¡Óà MWSA/MWLA/MWFC/WCX µÈϵÁвúÆ·£»¶ø ARM ¼Ü¹¹Ôò¸ü×¢ÖØµÍ¹¦ºÄ¡¢Ð¡³ß´çºÍµÍ³É±¾£¬²ÉÓöàÏàÊä³öÉè¼Æ¼õÇᵥ·µç¸ÐµÄ¸ºµ££¬¿ÉÍÆ¼ö WCX/MWTC µÈϵÁвúÆ·¡£ÒÔ X86 µÄºËµç¸Ð 0.15uH µÄµç¸ÐÁ¿ÎªÀý£¬ÒªÂú×ã 40A µÄµçÁ÷ÐèÇ󣬵ç¸ÐµÄ³ß´çͨ³£ÐèÒª´ïµ½7*7*3mm£¬ÕâÑùµÄÌå»ý¶ÔÓÚ×·ÇóÇᱡÉè¼ÆµÄ AI PC À´ËµÊÇÒ»¸öÌôÕ½¡£
˳Âçµç× WCX0515CER15MT£¬²ÉÓó¬µÍѹ³ÉÐͼ¼Êõ£¬ÓÅ»¯²ÄÁϼ°ÄÚ²¿ÏßȦÉè¼Æ£¬³ß´ç½ö 5×5×1.5mm£¬Ìå»ý½ÏͬÀà²úÆ·ËõС³¬ 70%£¬È´¿É³ÐÔØ¸ß´ï 47A µÄµçÁ÷¡£ÆäЧÂÊÓÅÊÆÏÔÖø£¬ÓÈÆäÔÚÇáÔØÌõ¼þÏ£¬ÐÔÄÜÔ¶³¬¾ºÆ·£¨¼ûͼ 2£©¡£ÇáÔØÏÂ˳Âç WCX0515CER15MT ЧÂÊ´ï 85%×óÓÒ£¬¾ºÆ·½ö 80%£»ÖØÔØÏÂ˳Âç WCX0515CER15MT ЧÂÊÎȶ¨ÔÚ 85%£¬¾ºÆ·µÄЧÂʽϵÍÇÒ²¨¶¯½Ï´ó¡£ÕâÖÖ׿ԽµÄ¸ßЧÂʱíÏÖ£¬Ê¹µÃ˳Âç WCX0515CER15MT µç¸ÐÔÚʵ¼ÊÓ¦ÓÃÖÐÄܹ»ÏÔÖø½µµÍ¹¦ºÄ£¬ÓÐЧÑÓ³¤ AI PC µÄÐøº½Ê±¼ä£¬Í¬Ê±Ö§³ÖÉ豸µÄÇᱡ»¯Éè¼Æ£¬Âú×ãÊг¡¶Ô¸ßÐÔÄÜ¡¢µÍÄܺġ¢Ð¡ÐÍ»¯µç×ÓÉ豸µÄÐèÇó¡£

ͼ 2£ºWCX0515CER15MT ЧÂʶԱÈͼ
˳Âç WCHE0630CER22MT ÔÚÁíÒ»¿Í»§¶ËµÄʵ²âЧÂÊÈçͼ 3¡£ÔÚÇáÔØÏÂЧÂʸߴï 98%£¬ ÖØÔØÐ§ÂÊÎȶ¨ÔÚ 85%-88% Ö®¼ä£¬Îȶ¨¸ßЧÂʱíÏÖ£¬ÓÅÓÚ´«Í³µç¸Ð£¬ÄÜÓÐЧ½µµÍ¹¦ºÄ£¬ÑÓ³¤Éè±¸Ðøº½£¬Í¬Ê±Ö§³Ö AI PC ¸ßÐÔÄÜÉ豸µÄ¸ßЧÔËÐУ¬Âú×ãÆä¶ÔÄÜЧµÄÑϸñÒªÇó¡£

ͼ 3£ºWCHE0630CER22MT µÄʵ²âЧÂÊͼ
DDR5
Ëæ×Å AI ¼¼ÊõµÄ²»¶Ï½ø²½£¬AI PC ¶Ô DDR ´æ´¢Æ÷µÄÒªÇóÈÕÒæÌáÉý¡£DDR5 Í»ÆÆÐԵزÉÓÃÁ˼¯³É PMIC£¨µçÔ´¹ÜÀí¼¯³Éµç·£©µÄ¹©µç¼Ü¹¹£¬ÕâÖÖ´´ÐÂÉè¼Æ½«µçÔ´¹ÜÀí¹¦ÄÜ´ÓÖ÷°åÒÆÖÁÄÚ´æÄ£×é±¾Éí£¬²»½ö¼ò»¯ÁËÖ÷°å¹©µçÉè¼Æ£¬»¹ÊµÏÖÁ˸ü¾«Ï¸µÄµçѹµ÷½ÚºÍ¹¦ºÄ¹ÜÀí£¬ÓÐЧÌáÉýÁËÄÚ´æÏµÍ³µÄÎȶ¨ÐÔÓë¿É¿¿ÐÔ¡£ÕâÒ»±ä¸ï´Ùʹµç¸Ð´Ó´«Í³µÄ´ó³ß´ç¡¢´óµçÁ÷×éװʽ½á¹¹£¬½ø»¯ÎªÐ¡³ß´ç¡¢±¡ÐÍ»¯µÄÐÂÐ͵ç¸Ð£¬Í¬Ê±¶Ôµç¸ÐµÄËðºÄÒªÇóÒ²¸üΪÑÏ¿Á£¬ÒÔÈ·±£ÔÚ¸ßÃܶȼÆËã»·¾³ÖÐά³Ö¸ßÐÔÄܺ͸߿ɿ¿ÐÔ¡£
˳Âçµç×ÓÍÆ³öµÄµÍËðºÄϵÁвúÆ·£¬WCX ϵÁз½°¸£¬ÊµÏÖÁ˸ßÐÔÄÜ¡¢¸ß¿É¿¿ÐԺ͸üµÍ³É±¾£¬Îª DDR5 µÄÍÆ¹ãÆÕ¼°ÖúÁ¦¡£

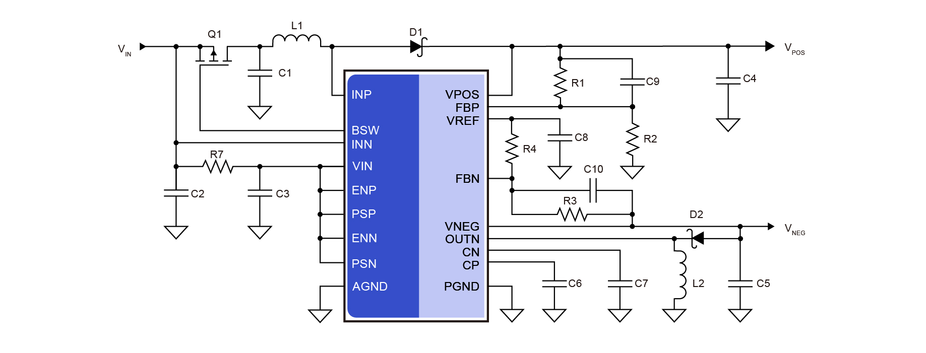
ͼ 4£º Client DDR5 PMIC 5120 µÄ¿ò¼Üͼ
˳ÂçÕë¶Ô Client DDR5 PMIC5120 µÄ¹¦Âʵç¸ÐÍÆ¼öÇë²Î¿¼Í¼ 5£º

ͼ 5£º Client DDR5 PMIC5120 µÄ¹¦Âʵç¸Ð½â¾ö·½°¸
ͼ 6£º ˳Âç Client DDR5 PMIC5120 µÄ¹¦Âʵç¸ÐЧÂÊͼ
˳ÂçÐͺŠWCHE0412CR47MT SWA ͨµÀµ¥Ïà²âÊԲο¼Í¼ 6, ˳Âç WCX ϵÁеç¸ÐÆ÷ÔÚÈ« µçÁ÷·¶Î§ÄÚ¾ùÕ¹ÏÖ³ö׿ԽµÄЧÂÊ£¬¿ÉÂú×ã JEDEC ÒªÇó¡£

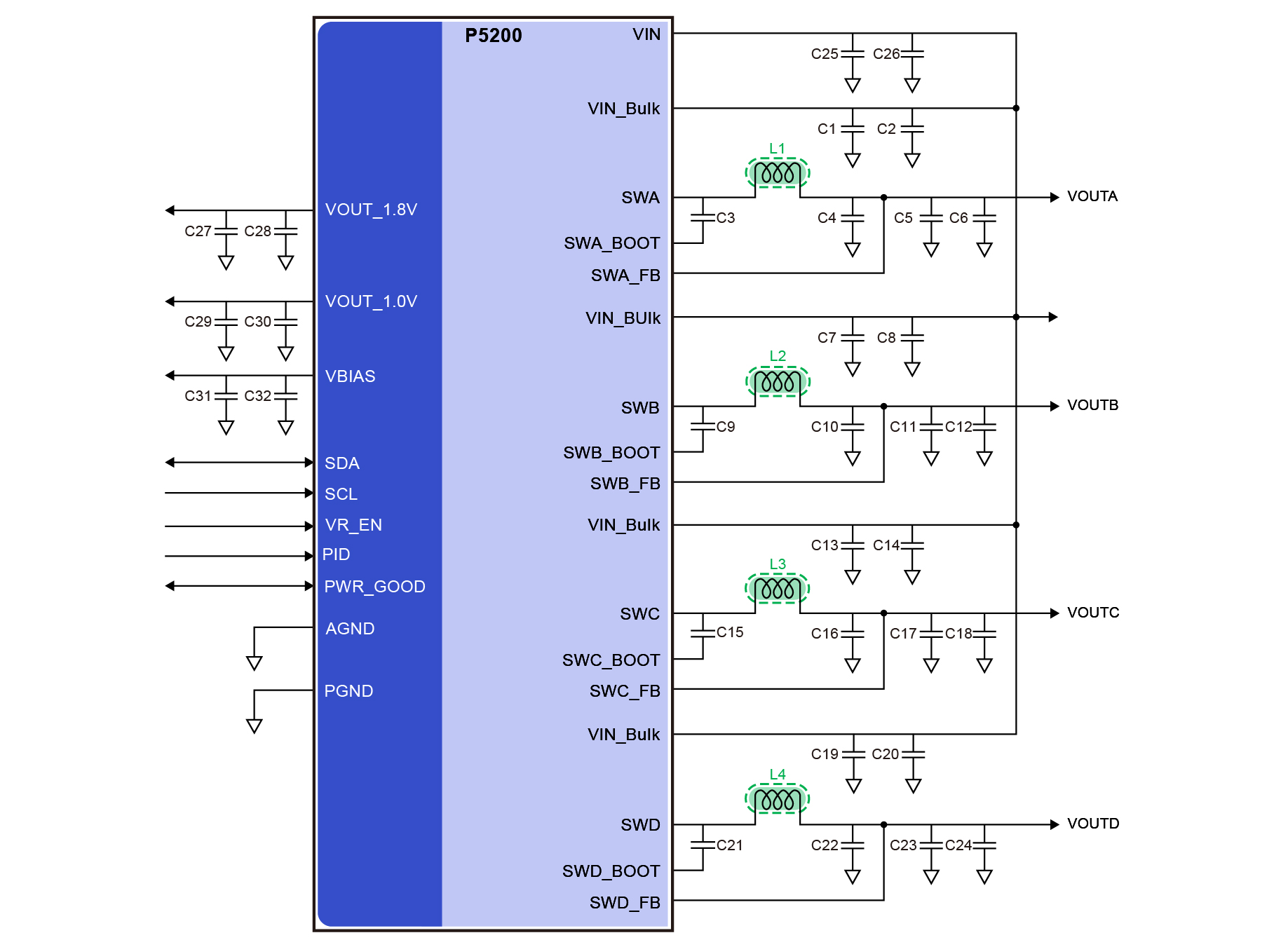
ͼ 7£º CAMM2 PMIC5200 µÄ¿ò¼Üͼ
˳ÂçÕë¶Ô CAMM2 PMIC5200 µÄ¹¦Âʵç¸ÐÍÆ¼öÇë²Î¿¼Í¼ 8£º

ͼ 8£º CAMM2 PMIC5200 µÄ¹¦Âʵç¸ÐÍÆ¼ö
±³¹âÇý¶¯
±Ê¼Ç±¾±³¹âÇý¶¯¶Ôµç¸ÐµÄÒªÇóÖ÷Òª°üÀ¨µç¸ÐÖµ¡¢±¥ºÍµçÁ÷¡¢Ö±Á÷µç×裨DCR£©ºÍÄÍѹֵ¡£

ͼ 9£º TI TPS6513x ±³¹âÇý¶¯¿ò¼Üͼ
ÒÔ TI TPS6513x Õâ¿î±³¹âÇý¶¯Ð¾Æ¬ÎªÀýͼ 9£¬¿ÉÉú³É 15V µÄÕýÊä³öºÍ –15V µÄ¸ºÊä³ö£¬×î´óÊä³öµçÁ÷ÔÚ 200mA ÖÁ 500mA£¬ÍƼö˳Â糬С³ß´ç¹¦Âʵç¸Ð WCX322510C150MT ͼ 10¡£
WCX322510C Series

ͼ 10£ºWCX322510C150MT ¹æ¸ñ²ÎÊý
¡ó µç¸ÐÖµ£ºWCX322510C150MT ±ê³Æ¸ÐÖµ 15uH£¬¿ÉÓÐЧÒÖÖÆµçÁ÷ÖеÄÎÆ²¨µçÁ÷¡£
¡ó ±¥ºÍµçÁ÷£ºµç¸ÐµÄ±¥ºÍµçÁ÷ÔÚ 1.1A ÒÔÉÏ£¬¿ÉÂú×ãµç·ÐèÇó¡£
¡ó Ö±Á÷µç×裨DCR£©£ºÕûÌåЧÂÊÈÔȻȡ¾öÓÚµç¸ÐµÄ DCR£¬WCX322510C150MT µÄ DCR ½ö 400 mΩ£¬ÔÚͬ¼¶·â×°ÖÐÒÑÊô¼«µÍ£¬ÎªÕû»úЧÂÊÁô³ö³ä×ãÔ£Á¿¡£
¡ó ÄÍѹֵ£ºË³Âç WCX ϵÁвúÆ·²ÉÓøßÐÔÄܲÄÁ϶þ´Î°ü¸²£¬È·±£ÁËÔÚ±£³Ö׿ԽÐÔÄܵÄͬʱ£¬ Äܹ»Âú×ã¸ßÄÍѹµÄÐèÇó¡£
¡ó µÍ±³Ð¡³ß´ç£ºWCX322510C150MT ÕûÌå³ß´ç½ÏС£¬Æä 1.00mm µÄ³¬±¡±³¹âÉè¼Æ£¬²»½ö½ÚÊ¡¿Õ¼ä£¬»¹ÓÐÖúÓÚÌá¸ß²úÆ·µÄ¼¯³É¶ÈºÍ¿É¿¿ÐÔ¡£
ÉÏһƪ£ºÃ»ÓÐÁË
Éî ÛÚ ÊÐ ¹â Óë µç ×Ó ÓÐ ÏÞ ¹« ˾
SHEN ZHEN KOYU ELECTRONICS CO.LTD
Ӫҵʱ¼ä£ºË«ÐÝ£¬ÖÜÒ»µ½ÖÜÎå ÉÏÎç8:30-12:00 ÏÂÎç13:30-18:00ϰàʱ¼äÇëÇ¢¸÷ÒµÎñÔ±£¡
µØÖ·£ºÉîÛÚÊÐÁú»ªÇøÃñÖνֵÀÉÏ·ÒÉçÇø½¨Éè·´óΪÉÌÎñʱ¿ÕB×ù503¡¢505
ÖÕ¶ËÒµÎñÖ±Ïߣº+86-755-82574660
ͬÐÐÒµÎñÖ±Ïߣº+86-755-82574660 ͬÐÐóÒ×ÁªÏµ¿Í·þ£º19147767652 ΢ÐÅͬ²½
ÏúÊÛ×ܼàÓÊÏ䣺JOSHUA@SZKOYU.COM
PM¼æ²É¹º×ܼàÓÊÏ䣺LILY@SZKOYU.COM
PM¼æ²É¹º¾ÀíÓÊÏ䣺PUR01@SZKOYU.COM
°Û¸»²ÊÊǵç×ÓÔªÆ÷¼þ·½°¸Éè¼Æ´úÀíÉÌ£¡
Õý¹æ´úÀí£¬×ñÊØÔ³§¿Í»§±¨±¸ÔÔò£¬Ïã¸Û´ó½²Ö¾ù¿ÉÒÔ½»¸¶£¬²Ù×÷Áé»î£¬¼Û¸ñÓÅÊÆ£¬¹«Ë¾ºÍÒ»Ïß´óÎïÁ÷ºÏ×÷£¬½»¸¶¿ì½ÝÎȶ¨£¬ÊÛºó±£ÕÏ£¡
Ò»±²×ÓŬÁ¦×öºÃÒ»¼þÊÂÄú¾ÍÓ®ÁË£¡
